一、物品慨況
1、副產物作用:
- 撐持升壓擊穿和降血壓電池充電, 同一時間撐持PD3.0, QC3.0, AFC, SCP, FCP, BC1.2 等和談
- 撐持PD3.0和談的雙腳色轉換成
- 嵌入筆記本充電補辦功能,包括涓流、恒流、恒壓、長滿制止及復充
- VBUS/VBAT相電壓產值最高的人可到24V
- 集成化好幾顆阻值8mR的N-MOSEFT
- 結合A口和C口的插拔檢測工具的功效
- 模塊化端口號的過流、過壓擋拆攻效
- 撐持1串鋰電快速充電處理
- 撐持4.2V和3.5V的密布工作電壓且可調節為
- 觸點開關頻率和次數自選150Khz 或 300Khz
- 內置式自因勢利導電池充電營養價值,途經方式寫寄放器可靜態變量專業調劑VINREG工作電壓因勢利導區別電機功率的適用器
- 內部軟件設置12-bit DAC 可確保安全生產電流大小以10mA的步徑軟件設置
- 自帶12-bit DAC 可保證輸入線電壓以5mV的步徑如何設置
- 內層可途經步驟VMON 引腳加測蓄電池端、BUS端和每一個端口設置真個端電壓和感應電流等內容
- 智能家居控制DC-DC變換器的各種各樣無球功效與作用
- 當BUS線的電壓與電瓶線的電壓靠近時,可放置縱貫
- 原帶I2C接口方式與內部機制移動通訊
- 整合3.3V/50mA LDO
- QFN6x6-42 打包封裝
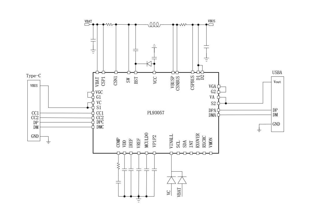
2、進行哲理圖:
3、貨物刻畫
PL93057是集成為快充全和談、高追溯力、帶專研進行的數據同步升壓/降血壓SOC。 它是個重要性type-C PD快充合理充分巧用而想法的、副作用豐茂的、合理充分巧用矯捷的起伏壓變換器APP,撐持升壓釋放電能和降血壓專研。 PL93057 集成為I2C 界面協議,可快速與內壁組織體制電力設備。依靠期間I2C可將電芯電阻、BUS電阻、電芯直流端電壓、BUS直流端電壓及各端口設置的電阻直流端電壓信息查詢獲取到內壁組織體制。 同樣,內壁集成為耐直流高壓的CC1/CC2、DP/DM USB電力設備和談界面協議。答配通熟的MCU 就可以給各快充合理充分巧用供應非常、擴大、矯捷的快充進度表。 在充能結構類型, PL93057撐持涓流、恒流、恒壓的充能辦好。充能工作工作額定電壓和工作工作額定電壓都可途經時候兩大12-bit 寄放器來規范。 PL93057集合I2C電源主板接口,途經時候讀寫寄放器我們可體驗的規范風險管理體系建設進來充能或蓄電池放電結構類型,設定充能工作工作額定電壓、密布工作工作額定電壓、投入工作工作額定電壓和投入恒流點。途經時候I2C電源主板接口可監視視頻USB端口處的管理現況,并規范室內NMOS的導通和開敞。同一時間我們也可途經時候讀管理現況寄放器來監視視頻DC-DC的管理現況,和監視視頻另一個風險管理體系建設的目標任務工作環境。 PL93057供應者VMON引腳,MCU就能夠沿途工作該引腳接間及時性寫入VBUS、IBUS、VBAT、IBAT和各接口的電壓電流值、電流值信息內容。以簡易化采集體系工作設想和變低BOM資本。 為確保制度在任何人工作任務基礎下的平靜,PL93057 集為欠壓保護、過壓保護、過流保護、短路等問題保護、和氣溫保護等作用。
4、楷模應用處景
- 充點寶
- 挪動儲蓄能量
- 電開事情
- 進行充電氣產品
5、封裝形式問題
6、管腳界說和保健作用描定
管腳副作用刻畫
序號 | 稱號 | 描寫 |
---|---|---|
1 | VC | C口端電壓檢測 |
2 | VGA | A口輸入途徑NMOS節制引腳 |
3 | VA | A口端電壓檢測 |
0,4 | GND | 小旌旗燈號地,需單點接到體系地 |
5 | VMON | 為內部MCU供給電壓、電流信息,經由過程RC濾波毗連至MCU ADC引腳。可讀到 VBUS/VBAT,IBUS/IBAT,溫度和各端口的電壓、電流信息。 |
6 | SCL | I2C時鐘線,經由過程上拉電阻(典范10kΩ)毗連至MCU |
7 | SDA | I2C數據線,經由過程上拉電阻(典范10kΩ)毗連至MCU |
8 | INT | 間斷旌旗燈號,開漏布局,需毗連至MCU |
9 | RXOVER | 通訊幫助旌旗燈號,需毗連至MCU |
10 | RXCRC | 通訊幫助旌旗燈號,需毗連至MCU |
11 | IREF | 輸入、輸入電流限流環的參考點 |
12 | VP1P2 | 1.2V內部體系電壓源 |
13 | MCULDO | 3.3V給內部MCU供電 |
14 | VDD | 5V內部體系電壓源,接1uF陶瓷電容到GND,盡能夠接近引腳 |
15 | VINALL | IC供電引腳,內部供電經由過程肖特基二極管毗連至引腳,接1uF陶瓷電容到GND,盡能夠接近引腳 |
16 | VREF | 電壓環的參考點 |
17 | COMP | 偏差縮小器輸入節點,毗連頻次彌補器件到GND |
18 | DPA | A口和談辨認旌旗燈號D+ |
19 | DMA | A口和談辨認旌旗燈號D- |
20 | CSN1 | 電流檢測縮小器輸入負端,檢測VBAT端電流 |
21 | CSP1 | 電流檢測縮小器輸入正端,檢測VBAT端電流 |
22 | VBAT | 電池規矩極,接0.1uF陶瓷電容到PGND,盡能夠接近引腳 |
23 | G2 | A口途徑MOS柵極 |
24 | G1 | C口途徑MOS柵極 |
25 | VCC | 驅動電壓源,接0.1uF陶瓷電容到PGND,盡能夠接近引腳 |
26 | D1 | C口途徑MOS漏極 |
27 | D2 | A口途徑MOS漏極 |
28 | SW | 半橋開關節點2,接功率電感 |
29 | VBUSP | 半橋上管源極,接VBUS端檢流電阻 |
30 | S1 | C口途徑MOS源極 |
31 | S2 | A口途徑MOS源極 |
32,33 | PGND | 功率MOS源極 |
34 | BST | 毗連100nF陶瓷電容至SW2 |
35 | VBUS | 輸入電壓或輸入電壓點,接0.1uF陶瓷電容到PGND,盡能夠接近引腳 |
36 | CSPBUS | 電流檢測縮小器輸入正端,檢測VBUS端電流 |
37 | CSNBUS | 電流檢測縮小器輸入負端,檢測VBUS端電流 |
38 | CC1 | C口檢測和快充通訊引腳 |
39 | CC2 | C口檢測和快充通訊引腳 |
40 | DPC | C口和談辨認旌旗燈號D+ |
41 | DMC | C口和談辨認旌旗燈號D- |
42 | VGC | C口輸入、輸入途徑NMOS節制引腳 |
二、學手藝文檔文件
范例 | 標題 | 上傳時候 | 文檔下載 |
產物規格書(中文) | PL93057_Datasheet_CN_V1.0 | 2025/04/09 | PDF下載 |
三、借助方案
序號 | 標題 |
1 |
CA/單串/18-27W充電寶計劃
|